Comprehensive Curriculum: Covers the four essential characteristics of LEDs: light, electricity, color, and heat.
Modular Design: Features independent yet supportive experiment modules with clear functional divisions for easy comprehension.
Teaching-Oriented Design: Includes fully-featured software and apparatus designed to educational standards, promoting logical understanding and theoretical learning.
Standardized Testing: Strictly follows authoritative international standards for parameters like light intensity (CIE standard) and luminous flux (integrating sphere method).
Volt-ampere characteristic test experiment.
Relationship experiment between light intensity and current.
Relationship experiment between luminous flux and current.
Measurement experiment of spatial distribution characteristics of LED output light.
Measurement experiment of chromaticity parameters of different LEDs.
Measurement experiment of VT coefficient (ripple) of pulse power supply.
Measurement experiment of K coefficient.
Measurement experiment of junction temperature and thermal resistance.
NO. | Part Name | Main Parameter |
1 | LED Power Supply I (constant current source) | 110V/220V input, 0~50/500mA output, voltage range 0-10V |
2 | LED Power Supply II (constant voltage source) | 110V/220V input, 0~10V output; current range 0 - 0.1A |
3 | (Programmable) Pulse Power Supply | Output small current ranging from 0 to 50 mA; output large current ranging from 50 to 500 mA. |
4 | Temperature Control Power Supply | Heating range: 0 - 100℃ |
5 | Illuminometer with Detector | Measurable illuminance and luminous flux values, illuminance range: 0.001 LX to 2000 LX; Luminous flux range: 0.001 LM to 999 LM; |
6 | RGB Power Supply (constant current source) | Three-phase current output |
7 | Fiber Spectrometer | Wavelength range: 350-1050nm, resolution 2nm |
8 | Fan Cooling Tungsten Light Source | Wavelength range: 400 nm-2000 nm Cooling method: Fan |
9 | Temperature Controller System | Heating range 0~100℃ |
10 | Integrating Sphere | Radiation integrating sphere |
11 | LED Fixture and Holder | Dia 50mm |
NO. | Part Name | Model | Qty. |
1 | LED Power Supply I (constant current source) | BEM-5036 | 1 |
2 | LED Power Supply I (constant voltage source) | BEM-5035 | 1 |
3 | (Programmable) Pulse Power Supply | BEM-5037 | 1 |
4 | Temperature Control Power Supply | BEM-5038 | 1 |
5 | Illuminometer with Detector | BEM-5409 | 1 |
6 | Fiber Spectrometer | BIM-6001-06 | 1 |
7 | Fan Cooling Tungsten Light Source | BIM-6210 | 1 |
8 | Temperature Controller System | BEM-5040A | 1 |
9 | Integrating Sphere | BEM-5216-15003 | 1 |
10 | LED Fixture and Holder | BEM-5217 | 1 |
11 | Adjustment Platform for Light Source | BEM-5214 | 1 |
12 | Aperture tube with Holder | BEM-5215 | 1 |
13 | Aperture | BEM-5221-03 | 1 |
14 | View Screen | BEM-5410 | 1 |
15 | Track | BEM-5201-06 | 1 |
16 | Carrier | BEM-5204-50 | 1 |
17 | Adjustable Post Holder | BEM-5205-25 | 1 |
18 | Poster | BEM-5209-09 | 1 |
19 | Quartz Fiber | SIM-6102-0605-S/S-P | 1 |
20 | Laser Module with Fixture | BEM-5047 | 1 |
21 | LED Test Samples with Storage Case | BEM-5048 | 1 |
22 | Power Cable | BC-105075 | 4 |
23 | USB Data Cable | BC-105080 | 2 |
24 | 4mm Banana Plug Connector Cable, Red | BC-105084 | 6 |
25 | 4mm Banana Plug Connector Cable, Black | BC-105083 | 6 |
1. Electrical & electro-optical conversion experiment
2. Measure the chromaticity parameters of different LEDs

3. Light spatial distribution (light distribution curve) experiment

The curve showing the variation of the average
light intensity in one-dimensional space with the current

Two-dimensional spatial light distribution
(light distribution) curve
4. Investigate the relationship between current, luminous flux and luminous efficiency

The curve showing the relationship between current and luminous flux

The curve showing the relationship between current and luminous efficiency
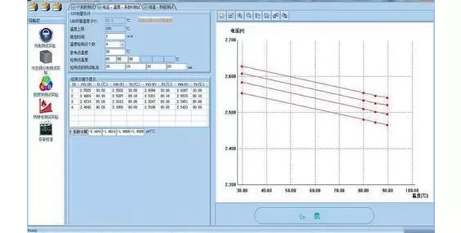
5. Thermal Characteristic Test Experiment
This module is used to measure and calculate the K coefficient, thermal resistance, and junction temperature of LEDs. The experimental setup includes a temperature control system, a temperature control power supply, and a pulse power supply. After the experiment begins, the voltage-time curve can be displayed in real time on the software interface, allowing for the analysis of the junction temperature and thermal resistance at the steady state.

Small current K coefficient test
