Optical Resolution: Up to 0.1nm
Compact Design: Palm-sized for easy operation
Optical Path: Crossed asymmetric C-T configuration with interference filter for second-order diffraction suppression
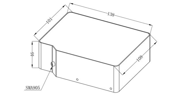
Fiber Connectivity: SMA905 fiber optic connector for seamless integration with external devices
Flexible Configuration: Selectable wavelength range and optical resolution
Interface of the High-Resolution Spectrometer: USB 2.0 for simultaneous data transfer and power supply
Communication Protocol: RS232 support
Triggering Options: Multiple trigger modes available
Advanced Software: Automated peak wavelength and bandwidth calculation
Customization: This kind of Brolight high-resolution spectrometer supports SDK for secondary development and OEM integration
Laser center wavelength, FWHM and stability measurement
Emission & absorption spectrum measurement
Transmittance & absorbance testing
Fluorescence detection
Color measurement
LED/LIBS measurement
Solar energy spectrum testing
Model | BIM-6606 Series |
Wavelength Range | 200nm-1100nm optional |
Resolution | 0.1nm |
Fiber Connector | SMA905 |
Detector Type | Hamamatsu S13496, linear array CMOS |
Detector Pixel | 4096 pixel,each pixel 7µm×200µm |
Signal to noise ratio | 600:1 full spectrum |
A/D Resolution | 16 bit |
Integrating Time | 0.5ms-65s |
Dynamic Range | 10000:1 |
Trigger Model | Normal Mode, Software, Hardware, Synchronization Trigger |
Power Consumption | 250mA,5VDC |
Operating Temperature | 5℃-35℃(25℃ recommended) |
Communication Interface | USB2.0(12Mbps) RS232(115200bps) |
Operation System | Win XP,Win7,Win8,Win10 |
linearity | >99% |
Power Supply | USB |
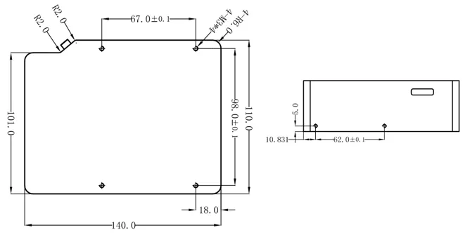
Dimension | 140mmx110mmx46mm |
Weight | 0.7 Kg |
# | Part description | Qty. |
1 | Spectrometer | 1 |
2 | USB Cable | 1 |
3 | Calibration Report (QRCode for download of Software & Manual) | 1 |
4 | Packing box | 1 |
Model | Model with Configuration | Wavelength Range | Resolution |
BIM-6606-01 | BIM-6606-01-S03L00F00G14 | 200-420 nm | ~0.3 nm |
BIM-6606-02 | BIM-6606-02-S01L00F06G11 | 200-1000 nm | ~0.8 nm |
BIM-6606-03 | BIM-6606-03-S02L00F05G12 | 380-900 nm | ~0.8 nm |
BIM-6606-04 | BIM-6606-04-S02L00F00G23 | 305-595 nm | ~0.3 nm |
BIM-6606-05 | BIM-6606-05-S02L01F08G08 | 900-1000 nm | ~0.15 nm |
BIM-6606-06 | BIM-6606-06-S01L00F08G26 | 600-1100 nm | ~0.6 nm |
BIM-6606-07 | BIM-6606-07-S02L00F05G25 | 330-770 nm | ~0.7 nm |
BIM-6606-08 | BIM-6606-08-S02L00F00G10 | 500-720 nm | ~0.2 nm |
BIM-6606-09 | BIM-6606-09-S01L01F08G27 | 800-1000 nm | ~0.2 nm |
BIM-6606-10 | BIM-6606-10-S02L00F00G08 | 250-400 nm | ~0.15 nm |
BIM-6606-11 | BIM-6606-11-S02L00F00G10 | 390-610 nm | ~0.2 nm |
BIM-6606-12 | BIM-6606-12-S01L00F06G11 | 300-1100 nm | ~0.8 nm |
BIM-6606-13 | BIM-6606-13-S02L00F05G12 | 340-850 nm | ~0.9 nm |
BIM-6606-14 | BIM-6606-14-S01L01F08G08 | 795-905 nm | ~0.1 nm |
BIM-6606-15 | BIM-6606-15-S02L01F08G08 | 1005-1080 nm | ~0.15 nm |
BIM-6606-16 | BIM-6606-16-S02L00F08G08 | 750-870 nm | ~0.15 nm |
BIM-6606-17 | BIM-6606-17-S02L00F00G30 | 250-350 nm | ~0.1 nm |
BIM-6606-18 | BIM-6606-18-S02L00F00G30 | 350-450 nm | ~0.1 nm |
BIM-6606-19 | BIM-6606-19-S01L01F08G30 | 660-734 nm | ~0.1 nm |
BIM-6606-20 | BIM-6606-20-S01L01F05G25 | 350-795 nm | ~0.4 nm |
BIM-6606-21 | BIM-6606-21-S01L01F08G10 | 600-810 nm | ~0.15 nm |
BSV spectrum software
